Замена предохранителя в Electribe SX (ESX)
Если ваш ESX показывает янтарный ЖК-дисплей без символов, данный гид для вас.
Мы начнем с открытия ESX, найти сломанный предохранитель и либо заменить его, либо выполнить обходное решение.
Шаг 1

Извините, но я не могу сказать много о том, как открыть ESX. У меня больше нет образца.
Я примерно помню, что сначала нужно снять все ручки, потянув на себя. Затем на передней стороне ESX есть несколько винтов с шестигранными головками. Их также нужно удалить. В качестве последнего этапа на задней стороне устройства есть несколько винтов.
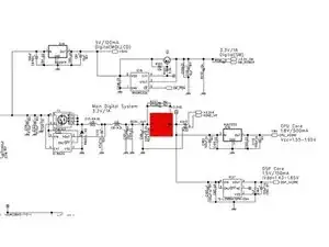
Если ESX открыт, то вам интересна правая печатная плата с подключением к блоку питания и большими конденсаторами.
Поместите печатную плату на изолирующий материал, если планируете включить устройство для тестирования.
Шаг 2

Под количеством больших конденсаторов находится предохранитель с обозначением "FUSE1". Это устройство расположено за регулятором 3,3В, прямо перед регулятором 1,2В. Таким образом, ваша система не имеет 1,2В, и один из основных контроллеров ESC больше не работает. Поэтому дисплей светится, так как он не работает от шины 1,2В.
Проверьте, что этот предохранитель действительно сломан. Вы можете сделать это, поместив тестер на обеих концах предохранителя, пока устройство выключено. Если предохранитель действительно сгорел, то непрерывности не должно быть. Или вы можете проверить напряжения с обеих сторон. Если предохранитель сгорел, то с одной стороны должно быть 3,3В, а с другой ничего.
Шаг 3

Теперь вам решать, как вы хотите решить эту проблему. Мне нужно было, чтобы мой ESX работал, поэтому я удалил предохранитель с помощью паяльных щипцов и заменил предохранитель проводом.
Если вы хотите заменить предохранитель, то ток через этот предохранитель составляет примерно 530мА. Я получил это значение, подключив ESX к устройству измерения тока и дав ему работать в течение 2 часов с максимальной нагрузкой и громкостью.
Предохранитель типа "SMD". Корпус 1206 или 1210.
Заключение
Чтобы собрать ваше устройство, выполните эти инструкции в обратном порядке.
Перевод руководства с ifixit.com