Замена предохранителя Korg Electribe SX (ESX)
В этой инструкции по ремонту вы сначала откроете Electribe SX. Затем вы найдете предохранитель, отвечающий за проблему. После этого мы быстро проверим если предохранитель является проблемой. Если да, то мы либо предложим временное решение, либо заменим предохранитель.
Шаг 1

Отсоедините все кабели и источник питания. Снимите все ручки, потянув за ними. Затем открутите все винты на передней панели с помощью шестигранного ключа. Вы также можете снять печатные платы, как показано на картинке, но это не обязательно.
Шаг 2

Посмотрите на печатной плате на устройство, отмеченное красным. Оно находится под многими большими конденсаторами на правой печатной плате. Это предохранитель, который может быть перегоревшим. Чтобы проверить это, вы можете:
Проверить предохранитель на целостность, когда ESX выключен. Должна быть целостность, но если предохранитель неисправен, её не будет. Или вы можете...
...проверить 1,8В с обеих сторон, если ESX включен. Вам нужно подать питание и включить ESX, чтобы сделать это. Напряжение около 24В, что не должно быть смертельно, но может быстро сломать вещи, если вы не осторожны. Попробуйте это, если вы знаете, что делаете. Изолируйте печатную плату.
Если вы уверены, что предохранитель больше не проводит, у вас есть два варианта:
Вы можете замкнуть предохранитель проводом. Припаивайте изолированный провод с обеих сторон устройства. Это также является удобным временным решением, чтобы увидеть, работает ли ESX снова после этого.
Вы можете заменить предохранитель. Это более сложный процесс, потому что вам а) нужен новый предохранитель с правильными характеристиками и б) вам нужны паяльные щипцы, два паяльника или хорошая рука для пайки обоих выводов предохранителя. В данный момент я не могу помочь с характеристиками заменяемого предохранителя.
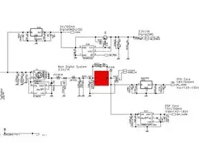
Шаг 3

Вот предохранитель, отмеченный красным в сервисном руководстве EMX от Korg. Части, с которыми мы имеем дело, по-видимому, идентичны ESX.
Заключение
Пройдите шаги в обратном порядке, чтобы собрать ваше устройство обратно.
Перевод руководства с ifixit.com