Замена сборки турбины/глушителя вентилятора Cardinal Health Vela P/N 16349
Турбина является неотъемлемой частью функции вентилятора. Возможная причина сбоя во время теста объема воздуха — это сама сборка турбины. В этом случае сборку турбины необходимо удалить и заменить на P/N 16349 или отправить производителю для перекалибровки. Этот гид проведет вас через необходимые шаги для удаления сборки турбины.
Шаг 1

Используйте отвертку, чтобы удалить два винта с потайной головкой Phillips на верхней части защитного щитка разъема.
Шаг 2
Снимите защитный щиток и отключите вентилятор.
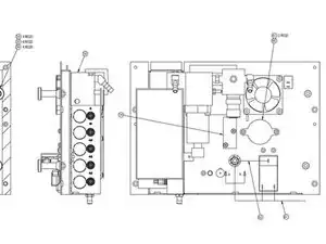
Шаг 3

Удалите четыре винта Phillips #0 на задней стороне вентилятора.
Шаг 4

Удалите все шесть маленьких винтов боковых панелей вдоль нижней части каждой стороны верхней крышки с помощью той же отвертки.
Шаг 5
Сдвиньте верхнюю крышку к задней части вентилятора, чтобы снять ее.
Шаг 6

Используйте отвертку Phillips, чтобы открутить 4 винта с потайной головкой Phillips, расположенные с каждой стороны поддона для батарей.
Шаг 7
Поднимите поддон для батарей из вентилятора.
Внимание: провода, соединяющие батареи с вентилятором, все еще будут подключены, поэтому осторожно поднимайте поддон для батарей.
Шаг 8

Отключите батареи от вентилятора, разъединив соединитель батареи.
Шаг 9
Удалите два винта с потайной головкой Phillips на задней панели.
Шаг 10
Удалите винт с потайной головкой Phillips в верхней передней части панели.
Шаг 11
Панель теперь свободна и может быть поднята из устройства.
Шаг 12
Чтобы установить левую панель, выполните эти шаги в обратном порядке.
Шаг 13

Если задняя панель установлена, удалите fitting-ы высоко- и низкоарифметического кислорода из задней панели с помощью вашего гаечного ключа на 19 мм. ПРИМЕЧАНИЕ: fitting высокого давления находится выше fitting низкого давления.
Шаг 14
Если задняя панель установлена, отключите 40-контактный шлейф от PCB SVGA out.
Шаг 15

Если передняя панель установлена, отключите зеленую трубку кислородного небулайзера.
Шаг 16
Отключите:
-J301, 12-контактный соединитель от J301 на главном PCB
С платы смесителя.
Шаг 17

Удалите фильтр входа воздуха в окружающей среде на нижней полосе, зажав и вытащив его.
Шаг 18

Удалите три винта с потайной головкой Phillips на правой стороне задней панели.
Шаг 19

Сборка теперь должна быть свободна для удаления. При удалении блока используйте ваши плоскогубцы, чтобы отключить трубку кислородного диффузора.
Шаг 20

Если сборка клапана выдоха установлена, отключите:
J3 [2-контактное (синее соединение)]
К соленоидному клапану входа кислорода на сборке смешивателя.
J4 [2-контактное (красное соединение)]
К сборке соленоида небулайзера на верхней задней части смешивателя.
Шаг 21
Для установки выполните шаги в обратном порядке.
Шаг 22
Отключите разъем главной проводки на P2 на плате управления турбиной.
Шаг 23

Удалите 5 винтов с потайной головкой Phillips.
Шаг 24
Отключите серые силиконовые колена входа и выхода, осторожно вытащив их из трубок глушителя.
Шаг 25
Сборка турбины/глушителя должна теперь быть свободна, чтобы подняться с основания коллектора.
Осторожно потяните за колена, чтобы снять.
Шаг 26
Чтобы установить P/N 16350 "Сборка турбины/глушителя", выполните шаги в обратном порядке.
Заключение
Чтобы собрать устройство обратно, выполните эти инструкции в обратном порядке.
Перевод руководства с ifixit.com