Разборка печатной платы соленоида Newport e500
В этом руководстве описан порядок замены печатной платы соленоида, если она перестала работать должным образом. При отключении кабелей и трубок обращайтесь осторожно, чтобы не повредить детали и не испортить новые запчасти. Дополнительные полезные советы можно найти в руководстве пользователя на странице 67.
Шаг 1

Разместите устройство так, чтобы верхняя крышка была обращена к Вам.
Откройте верхнюю крышку.
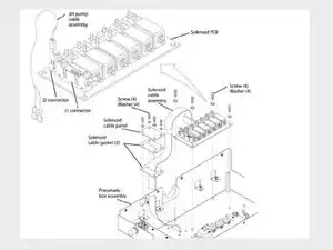
Шаг 2

Снимите четыре гайки с шестигранником и стопорные шайбы (по две на каждом шарнире), которые крепят крышку к петлям с левой стороны пневматического блока.
Шаг 3

Снимите крышку и отложите. Сохраните крепёж для обратной сборки.
Шаг 4

Поднимите и снимите гибкую резиновую манжету выхода выдоха (насаживается в натяг).
Шаг 5

Отключите трубки с обеих сторон датчика потока и две трубки от клапана выдоха.
Шаг 6

Снимите модуль выдоха, потянув его прямо вверх, чтобы извлечь из блока GDU.
Шаг 7

Снимите 2 винта и шайбы, удерживающие узел коллектора/смесителя.
Шаг 8

Сдвиньте узел коллектора/смесителя вперёд, чтобы отсоединить датчики потока.
Шаг 9

Осторожно вытащите каждый датчик потока прямо из сервоклапана (датчик потока насаживается в порт сервоклапана).
Шаг 10

Отключите кабель датчика потока от его 10‑контактного разъёма на нижней стороне печатной платы датчика потока и извлеките датчик потока.
Шаг 11

Снимите винт и шайбу, которые крепят опору коллектора выдоха к пневматической панели.
Шаг 12

Поднимите направляющий блок клапана выдоха, чтобы снять его с пневматического блока.
Шаг 13

Снимите стоечную шпильку и пять винтов с шайбами, которые крепят пневматическую панель к пневматическому блоку.
Шаг 14

Выньте пневматическую панель из корпуса и с нижней стороны отсоедините все трубки и провода нагревателя, подключённые к аналоговой печатной плате.
Шаг 15

Отключите кабель от разъёма J1 на аналоговой печатной плате.
Шаг 16

Осторожно снимите трубки с каждого из семи датчиков давления на аналоговой плате. Отметьте соединения трубок для обратной сборки.
Шаг 17

Отключите разъём J4 от аналоговой печатной платы.
Шаг 18

Снимите четыре винта и шайбы, которые крепят аналоговую плату к сборке пневматического блока.
Шаг 19

Отведите трубки в сторону и извлеките аналоговую плату из сборки корпуса.
Шаг 20

Осторожно снимите трубки с их соединений, находящихся напротив печатной платы соленоида (не тяните трубки непосредственно с платы соленоида). Отметьте соединения трубок для обратной сборки.
Шаг 21

Отключите кабели от разъёмов J1 и J2 на печатной плате соленоида.
Шаг 22

Снимите четыре винта и шайбы, которые крепят печатную плату соленоида к сборке пневматического блока.
Шаг 23

Отведите трубки в сторону и извлеките печатную плату соленоида из сборки корпуса.
Заключение
Для повторной сборки устройства выполните эти инструкции в обратном порядке.
Перевод руководства с ifixit.com