Разборка аккумуляторного блока IBM Thinkpad 700C
Думаете заменить элементы в Вашем Thinkpad 700C? Не можете понять, как открыть аккумуляторный блок? Это руководство покажет, как его разобрать.
Шаг 1

Снимите переднюю фиксирующую панель аккумулятора, нажав в середине и отодвинув её от блока до прогиба на несколько миллиметров.
Продолжая оказывать давление вперёд, сдвиньте панель вверх и от корпуса аккумулятора.
Шаг 2

На стороне панели найдите стык между двумя пластиковыми половинками. Медленно введите острый нож между половинками ровно так, как показано здесь.
Пластиковая защёлка, выступающая здесь, не была ультразвуково сварена, как остальная часть корпуса. Вы используете её для получения рычага на частях, которые сварены.
Не допускайте соскальзывания ножа и травм. Планируйте действия так, чтобы при соскальзывании нож двинулся от другой руки и от остального тела.
Ваша цель — открыть зазор между половинками, чтобы вставить более крупные инструменты между ними.
Шаг 3

Когда вы открыли небольшой зазор, вставьте более крупный инструмент и продолжайте двигать им вокруг, расширяя зазор ещё больше. Вы можете услышать, как половинки корпуса начинают трескаться.
С более толстым инструментом можно крутить его из стороны в сторону, чтобы создать большее давление на корпус.
Повторите это с другой стороны панели аккумулятора.
Шаг 4

Используя инструменты всё большей толщины и прочности, продолжайте поддевать, пока торцевая часть аккумулятора не расколется на две половинки.
Шаг 5

Используя металлическую лопаточку (слева), проведите по боковому шву инструментом «джимми» (справа). Лопаточка создаёт давление на шов, а «джимми» даёт финальный толчок для раскрытия.
Сделайте то же самое с другой стороны.
Шаг 6

Чтобы разъединить угловые швы сзади, поверните две половинки, как показано. Выполняйте движения в обе стороны, чтобы проработать угловые швы и расколоть их.
Шаг 7

Зажмите лопаточку в недавно открытых задних углах и расколите шов вдоль к разъёму аккумулятора.
Также можно попытаться поднять верхнюю крышку со стороны панели, одновременно выполняя это, чтобы создать большее давление на задний шов.
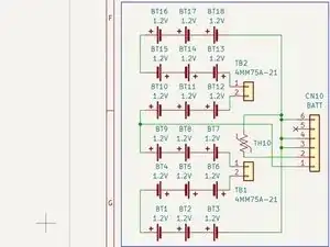
Шаг 8

Крышка снимается, открывая пространство с восемнадцатью никель-металлогидридными элементами ёмкостью 3/4A внутри.
Устройство наверху с чёрным и белым проводом — термистор для измерения температуры блока.
В каждой из двух последовательно соединённых цепочек элементов установлены два предохранительных устройства (не показаны). Это предохранители Klixon 4MM75A-21 от перегрузки по току/перегрева, использующие биметаллическую пластину для размыкания цепи.
Перевод руководства с ifixit.com