Разборка Hamilton Beach 43253R
Ваша кофеварка пыхтит как старый поезд? Кофе становится тёплым через несколько минут? Начните здесь — с этого руководства по разборке, чтобы изучить внутреннее устройство вашей пока бесполезной (но скоро вновь рабочей) кофеварки!
Эта разборка поможет получить доступ к деталям, которые позволят устранить засоры и починить нагревательный элемент. Мы покажем, как устроены носик и нагревательный узел. Однако если Вы хотите починить верхнюю плату, кнопки или дисплей, имейте в виду, что для доступа к этим деталям придётся повредить корпус. Производитель спроектировал устройство так, что к внутренностям нельзя добраться без повреждения корпуса.
Руководство средней сложности и подойдёт большинству уровней подготовки. Перед разборкой убедитесь, что прибор отключён от сети и не использовался несколько часов, чтобы не подвергать себя риску ожога.
Шаг 1

Переверните кофеварку дном вверх и с помощью биты Spanner-8 из набора Mako Driver Kit отвинтите четыре защитных винта 13 мм.
Когда нижняя крышка ослабнет, снимите её и отложите в сторону вместе с винтами.
Вы увидите внутри подковообразный нагревательный элемент и плату управления.
Шаг 2


Отсоедините трёхконтактный разъём JST, подключённый к белому и красному проводам, от платы управления.
Шаг 3


Отверткой Phillips #1 отвинтите два винта 12 мм, удерживающие планку, фиксирующую нагревательный элемент.
Другой рукой выдавите нагревательную пластину из посадочного места.
Шаг 4


Снимите десять винтов 13 мм Phillips #2, которые крепят основание прибора к верхней части.
Шаг 5


Разделите две половины корпуса. С помощью крупных плоскогубцев с длинными губками отвинтите провода, фиксирующие нагревательные трубки. Затем приложите умеренную силу, чтобы снять трубки со спиц.
Шаг 6

После полного разделения частей переверните верхний модуль прибора в рабочее положение.
Снимите крышку кофеварки, повернув её на 180 градусов и осторожно отжав от шарнира.
Шаг 7


Поверните носик в заднюю часть прибора и извлеките чашу для кофейной гущи.
Шаг 8

Отвинтите винт 8 мм Phillips #1, который соединяет носик с корпусом прибора.
Это обеспечит доступ к трубке горячей воды.
Шаг 9

Теперь приступаем к разборке дисплея и кнопок для доступа к верхней плате. Этот шаг ПОВРЕДИТ вашу кофеварку. Рекомендуем выполнять дальнейшие действия ТОЛЬКО если Вы готовы пожертвовать внешним видом ради работоспособности.
Используйте инструмент для вскрытия ifixit или любой клин, чтобы отжать металлическую крышку. При этом четыре металлических защёлки выйдут наружу. Эти защёлки не вернутся на место аккуратно, а крышка деформируется при снятии.
Шаг 10

С помощью крупных плоскогубцев с длинными губками снимите вторичную крышку.
Это деформирует и может потрескать пластик — потребуется значительная сила.
Шаг 11

Когда пластиковое покрытие будет снято, отвинтите четыре винта 9 мм, которые крепят плату к крышке, используя отвёртку Phillips #0.
Шаг 12

Это лицевая сторона платы. Переключатели, которыми управляют кнопки, обведены.
Шаг 13

После разборки кофеварки Вы получите хорошее представление о её принципе работы. Вот основные моменты:
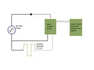
После подключения к сети плата управления принимает сигналы с пяти кнопок в верхней части прибора.
После выбора режима плата пропускает ток через нагревательный элемент (17,3 Ω). Нагревательный элемент металлический и расположен непосредственно под металлической нагревательной пластиной, которая поддерживает тёплость уже налитого кофе снизу ёмкости.
Тот же нагревательный элемент имеет канал посередине и соединён с двумя резиновыми трубками. Эти трубки направляют воду из резервуара в нагревательный элемент, где вода кипятится.
Затем трубки поднимают кипящую воду вверх в верхнюю часть прибора, в фильтр для кофе, где вода смешивается с молотой кофейной гущей и наливается в чашку.
Стоит отметить, что многие элементы, контактирующие с нагретой водой, выполнены из пластика, поэтому потенциально возможна экстракция веществ из пластика.
Заключение
Для сборки устройства следуйте этим инструкциям в обратном порядке.
Перевод руководства с ifixit.com