Замена конденсатора холодильника Electrolux ER9092B
Внимание! Сеть подключена непосредственно к сети. Используйте трансформатор изоляции и соблюдайте обычные меры предосторожности.
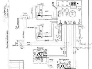
Этот холодильник имеет печатную плату, изготовленную в Италии. Холодильник работает без указанной печатной платы, единственной задачей которой является измерение температуры в морозильной камере и сигнализация о температуре. Печатная плата имеет два маленьких микропроцессора, которые питаются от источника 5В. Питание 5В получается из сети через выпрямительный мост и последовательный конденсатор. Когда емкость этого конденсатора уменьшается, напряжение падает. Это обнаруживается процессорами, которые выполняют сброс из-за понижения напряжения. Они начинают потреблять меньше тока, поэтому напряжение поднимается, процессоры запускаются, напряжение снова падает, и процесс повторяется.
Шаг 1

Вы можете это проверить, измерив напряжение питания процессоров. Это микросхемы Microchip 16C505. Измерьте между контактами 1 и 14. Если напряжение значительно ниже 5В, скажем, 2.5В, то наиболее вероятная причина — большой, круглый и в моем случае белый конденсатор. Его емкость составляет 1.2uF/250V~
Шаг 2

Решение заключается в замене конденсатора. Вы ДОЛЖНЫ заменить его на конденсатор типа MKP с номинальным напряжением 250В переменного тока. Для разборки открутите два винта на задней части верхней части. Вам также необходимо (временно) снять винт, удерживающий дверь холодильника. Сдвиньте верхнюю часть вперед и поднимите ее.
Шаг 3
Передняя часть защелкивается на задней части. Используйте отвертку, чтобы выдвинуть маленькие крючки и снять переднюю часть, собирая все кнопки и ручки, когда они падают на пол.
Шаг 4
Печатная плата удерживается на месте двумя маленькими крючками. Снова используйте отвертку, чтобы ослабить ее. Обратите внимание, что вам придется покачать рычаг для освещения холодильника, чтобы освободить печатную плату.
Шаг 5

Замените конденсатор. Соберите обратно.
Заключение
Чтобы собрать устройство обратно, следуйте этим инструкциям в обратном порядке.
Перевод руководства с ifixit.com